Adjustable RF Ammeter

This is an adjustable version of my homebrew RF ammeter.

Adjustable RF Ammeter
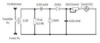
An old 10Ω, 5mA FSD moving-coil meter was used to display RF current. A discarded plastic box was found to fit the bill for the enclosure.

Adjustable RF Ammeter - Schematic
RF current range is settable from 0.2A to 1A FSD through the 1kΩ screwdriver-slot potentiometer.

_______________________________